Laboratorium z
Wytrzymałości materiałów
Temat:
Próba udarności
Zastosowanie i rodzaje prób udarowych
W elementach konstrukcyjnych bardzo często pojawiają się zmienne obciążenia dynamiczne, które charakteryzują się bardzo gwałtownymi zmianami. Mówimy wtedy, że mamy do czynienia z udarnością. Zjawisko to wymaga określenia oddzielnych własności materiału. Do określania tych własności służy próba udarowa mająca na celu stwierdzenie jakości materiału po obróbce cieplnej oraz skłonności przechodzenia materiału w stan kruchy pod wpływem zwiększonej szybkości obciążenia. Stosuje się następujące próby udarowe:
Próba rozciągania
Próba ściskania
Próba skręcania
Próba zginania
Najczęściej stosowaną w praktyce jest próba zginania wykonywana na próbach z karbem lub bez karbu. Wyniki badań w znacznym stopniu zależy od temperatury badań, procesów technologicznych jakim był poddawany półwyrób. Duże znaczenie ma też zawartość węgla, która w stalach podeutektoidalnych gwałtownie obniża udarność.
Definicja udarności
Udarność KC wyrażona jest ilorazem pracy łamania do pola przekroju poprzecznego próbki w miejscu karbu. ![]()
Gdzie:
K[J]- praca łamania próbki
![]()
pole przekroju poprzecznego w miejscu karbu zmierzone przed próbą.
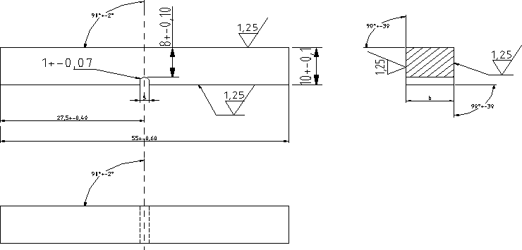
Rysunek próbki Mesnagera

Sposób pobierania próbek określa norma PN-75/H-04308, według której próbki należy pobierać w sposób nie powodujący zgniotu ani zmian strukturalnych. W przypadku wycinania próbki palnikiem acetylenowym lub nożycami, brzegi próbki powinny znajdować się w takiej odległości od płaszczyzny cięcia, aby materiał nie wykazywał zmian wskutek cięcia i zgniotu. Do badania potrzebne są przynajmniej trzy próbki. Obrabia się je mechanicznie przez skrawanie. Próbka nie powinna mieć także wad wykrywalnych gołym okiem, a chropowatość powierzchni nie powinna przekroczyć 1,25 μm. Bardzo ważne jest wykonanie próbki w podanych tolerancjach.
Do próby udarności stosuje się urządzenie zwane młotem Charpy'ego .
Budowa i zasada działania młota wahadłowego
Do prób udarności używa się młotów o stałym lub zmiennym zasobie energii potencjalnej. Ramie wahadła 2 zamocowane jest wahadliwie na podstawie 1 . Na obrotowej osi połączonej Z wahadłem znajduje się wskazówka 5. Do podstawy przymocowana jest nieruchomo podziałka 4 , względem której może przesuwać się wskazówka. Odczyt pracy łamania odbywa się bezpośrednio z podziałki ; wyskalowana jest w jednostkach pracy - julach . Zapadka 7 służy do utrzymywania młota w położeniu początkowym przed wykonaniem próby, a hamulec 6 z pasem blokującym zamocowanym na dzwigni służy do natychmiastowego zatrzymania młota.
1- korpus
2- ramie wahadła
3- próbka
4- skala
5- wskazówka
6- hamulec
7- zapadka
Tabela wyników
Symbol
|
Wymiary [mm]
|
S0 |
K |
KC |
||||||
Próbki |
l |
C |
l1 |
h1 |
h |
b |
[mm2] |
[J] |
[J/mm2] |
|
S1 |
55,0 |
2,2* |
27,6 |
7,9 |
10,0 |
10,0 |
79 |
118 |
1,49 |
|
S2 |
55,0 |
2,3* |
27,6 |
7,8* |
10,0 |
9,8* |
76,44 |
136 |
1,78 |
|
S3 |
54,9 |
2,3* |
27,8 |
7,9 |
10,0 |
9,8* |
77,42 |
120 |
1,55 |
|
S4 |
55,0 |
2,3* |
27,6 |
8 |
10,0 |
10,0 |
80 |
142 |
1,77 |
|
S5 |
55,0 |
2,2* |
27,8 |
7,9 |
10,0 |
9,9 |
78,21 |
118 |
1,50 |
|
S6 |
54,8 |
2,2* |
27,5 |
7,9 |
10,0 |
9,8* |
77,42 |
117 |
1,51 |
|
Symbol (*) - wymiar nie mieści się w tolerancji
Obliczenia udarności i analiza dokładności
Dla S1 
Dla S2 
Dla S3 
Dla S4 
Dla S5 
Dla S6 
Dokładność pomiaru udarności :
K = 2 J; h1 = 0,1 mm; b = 0,1 mm
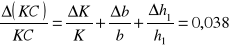
Do oszacowania dokładności używam różniczki zupełnej w postaci :
czyli :
próbka nr1 (KC)1= 0,025 + 0,015 + 0,018 = 0,0589 [J/mm2 ]
próbka nr2 (KC)2 = 0,026 + 0,018 + 0,023 = 0,067 [ J/mm2]
próbka nr3 (KC)3 = 0,026 + 0,0196 + 0,016 = 0,0616 [J/mm2]
próbka nr4 (KC)4 = 0,025 + 0,018 + 0,022 = 0,065 [J/mm2]
próbka nr5 (KC)5 = 0,025 + 0,015 + 0,019 = 0,059 [J/mm2]
próbka nr6 (KC)6 = 0,026 + 0,015 + 0,02 = 0,061 [J/mm2]
Określenie błędów :
S1 : KC1 = 1,49 J/mm2 0,0589 J/mm2
S2 : KC2 = 1,78 J/mm2 0,067 J/mm2
S3 : KC3 = 1,55 J/mm2 0,0616 J/mm2
S4 : KC4 = 1,77 J/mm2 0,065 J/mm2
S5 : KC5 = 1,50 J/mm2 0,059 J/mm2
S6 : KC6 = 1,51 J/mm2 0,061 J/mm2
Wartość średnia dokładności :
![]()
Względna dokładność pomiaru wynosi :
![]()
Wartość średnia udarności i jej przedział ufności
Wartość średnia (oczekiwana) udarności :
![]()
Odchylenie standartowe wyników :
Sn - odchylenie standartowe wyników próby
![]()
Przedział ufności dla wartości średniej :
Przedział ufności określa się z rozkładu prawdopodobieństwa t - Studenta dla przyjętego poziomu istotności , według wzoru :
gdzie : t kwantyl rozkładu t - Studenta odczytany z tablic dla (n-1) stopni swobody
Kwantyl t(1- , n-1) dla (n-1) = 5 stopni swobody i poziomu istotności = 5 % odczytany z tablic wynosi t = 2.571
Podstawiam do wzoru :
![]()
![]()
Estymator KC zawiera się więc w granicach: ( 1,46 ; 1,74 )
Wnioski
Przeprowadzona próba udarowa jest metodą dokładną, błąd pomiaru jest nieznaczny. Na dokładność wyników mogły mieć wpływ próbki posiadające wymiary nie zgodne z normami. Na zniszczonej próbce widać odkształcenia plastyczne- włókniste. Na dnie karbu uwidaczniają się zygzakowate pęknięcia. Próbki na których przeprowadzaliśmy badania wykazały przełomy kruche, trwale się odkształciły, jednakże nie uległy złamaniu. Zostały one wykonane ze stali niskowęglowej oraz były poddane walcowaniu na gorąco. Cechą charakterystyczną tych próbek jest duża udarność i anizotropia.
W warunkach normalnych do badań stosuje się 13 próbek. Za pomocą tych badań możemy również zbadać jakość obróbki cieplnej, skontrolować kruchość na zimno i gorąco oraz skłonność materiału do starzenia się.
